English
Español
Português
русский
Français
日本語
Deutsch
tiếng Việt
Italiano
Nederlands
ภาษาไทย
Polski
한국어
Svenska
magyar
Malay
বাংলা ভাষার
Dansk
Suomi
हिन्दी
Pilipino
Türkçe
Gaeilge
العربية
Indonesia
Norsk
تمل
český
ελληνικά
український
Javanese
فارسی
தமிழ்
తెలుగు
नेपाली
Burmese
български
ລາວ
Latine
Қазақша
Euskal
Azərbaycan
Slovenský jazyk
Македонски
Lietuvos
Eesti Keel
Română
Slovenski
मराठी
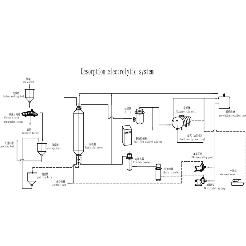
Srpski језик O Sistema Eletrolítico de Dessorção é uma tecnologia crucial na extração moderna de ouro, particularmente nos processos de carbono na celulose (CIP) e carbono na lixiviação (CIL). Este blog explora como o sistema funciona, seus componentes, vantagens e por que ele se tornou um padrão na recuperação ......
consulte Mais informaçãoO classificador espiral submerso é um componente vital no processamento mineral que melhora a separação e classificação de partículas em diversas indústrias. Neste artigo, exploraremos a função, vantagens e aplicações dos classificadores espirais submersos, bem como como as soluções da EPIC contribu......
consulte Mais informaçãoOs tanques de agitação de lixiviação são equipamentos essenciais na indústria de mineração, principalmente para extração de metais valiosos de minérios por meio de processos de lixiviação. Neste blog, exploraremos a importância, o princípio de funcionamento e os diversos tipos de tanques de agitação......
consulte Mais informaçãoUm Classificador Espiral Submerso é um equipamento crítico no processamento mineral, projetado para separar partículas com base no tamanho e densidade por meio de sedimentação por gravidade e movimento mecânico. Amplamente utilizada em sistemas de mineração, lavagem de areia e classificação industri......
consulte Mais informaçãoO Espessador Circular de Placa Inclinada de Alta Taxa (CHRIPT) é um equipamento vital usado na indústria de mineração e processamento mineral. Conhecido por sua capacidade de separar eficientemente sólidos de líquidos, esse espessante é crucial em indústrias como tratamento de águas residuais, proce......
consulte Mais informaçãoA célula cilíndrica de flotação de espuma está revolucionando o processamento mineral com seu design otimizado, taxas de recuperação aprimoradas e desempenho com eficiência energética. Este guia abrangente explora como as células de flotação cilíndricas diferem dos modelos tradicionais, seus princíp......
consulte Mais informação