O que é um sistema eletrolítico de dessorção e por que ele é essencial para a extração moderna de ouro

2026-04-21 - Deixe-me uma mensagem

OSistema Eletrolítico de Dessorçãoé uma tecnologia crucial na extração moderna de ouro, particularmente nos processos de carbono na celulose (CIP) e carbono na lixiviação (CIL). Este blog explora como o sistema funciona, seus componentes, vantagens e por que ele se tornou um padrão na recuperação eficiente de ouro. Destacamos também como as empresas gostamÉPICOestão impulsionando a inovação neste campo. Ao final, você terá uma compreensão abrangente de como esse sistema aumenta a produtividade, reduz custos e melhora as taxas de recuperação.

Desorption Electrolytic System

Índice


O que é um sistema eletrolítico de dessorção

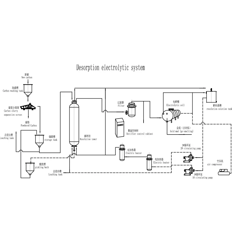
A Sistema Eletrolítico de Dessorçãoé um sistema avançado de recuperação de ouro usado para extrair ouro do carvão ativado. É amplamente aplicado em operações de mineração onde o ouro é absorvido pelas partículas de carbono durante o processo de lixiviação.

  • Dessorção: Remove ouro do carbono usando soluções de alta temperatura e alta pressão
  • Eletrólise: recupera ouro da solução em cátodos
  • Sistema de circuito fechado: Garante eficiência e perda mínima

Este sistema é essencial para melhorar a eficiência da recuperação e reduzir custos operacionais, tornando-o um componente essencial nas modernas plantas de processamento de ouro.


Como funciona um sistema eletrolítico de dessorção

O princípio de funcionamento de umSistema Eletrolítico de Dessorçãoenvolve duas etapas principais:

  1. Estágio de dessorção:O carbono carregado de ouro é tratado com uma solução quente de cianeto alcalino, liberando íons de ouro.
  2. Estágio de eletrólise:A solução rica em ouro passa por uma célula eletrolítica onde o ouro se deposita em cátodos de lã de aço.

O processo garante alta eficiência e permite operação contínua, por isso sistemas de empresas comoÉPICOsão amplamente adotados em aplicações industriais.


Principais Componentes do Sistema

Componente Função
Coluna de Dessorção Retém carvão ativado e facilita a remoção de ouro
Célula Eletrolítica Recupera ouro através de eletrólise
Permutador de calor Mantém a temperatura necessária
Sistema de Filtro Remove impurezas da solução
Sistema de controle Automatiza a operação e monitora parâmetros

Cada componente desempenha um papel vital para garantir que o sistema opere de forma eficiente e consistente.


Vantagens e recursos técnicos

  • Alta taxa de recuperação de ouro (até 98%)
  • Baixo consumo de energia
  • Operação automatizada para redução de custos de mão de obra
  • Design compacto para eficiência de espaço
  • Ecologicamente correto com emissões mínimas

Fabricantes comoÉPICOotimize continuamente esses sistemas para atender às crescentes demandas do setor, garantindo melhor desempenho e confiabilidade.


Aplicações em processamento de ouro

OSistema Eletrolítico de Dessorçãoé amplamente utilizado em:

  • Plantas de mineração de ouro
  • Operações CIP (Carbono em Celulose)
  • Processos CIL (Carbono em Lixiviação)
  • Recuperação de rejeitos de ouro

Sua versatilidade o torna adequado tanto para mineração industrial em grande escala quanto para operações menores que buscam melhorias de eficiência.


Comparação com métodos tradicionais

Recurso Sistema Eletrolítico de Dessorção Métodos Tradicionais
Eficiência Alto Moderado
Automação Totalmente automatizado Manual ou semiautomático
Custo Menor custo a longo prazo Maior custo operacional
Impacto Ambiental Baixo Mais alto

Claramente, o sistema moderno oferece vantagens significativas sobre as técnicas tradicionais de recuperação de ouro.


Guia de seleção para compradores

Ao escolher umSistema Eletrolítico de Dessorção, considere os seguintes fatores:

  • Capacidade de processamento
  • Nível de automação
  • Eficiência energética
  • Reputação do fabricante (por exemplo, EPIC)
  • Suporte pós-venda

A seleção do sistema certo garante sucesso operacional a longo prazo e retorno maximizado do investimento.


Dicas operacionais e de manutenção

  • Inspecione regularmente tubulações e válvulas
  • Monitore os níveis de temperatura e pressão
  • Limpe as células eletrolíticas periodicamente
  • Substitua componentes desgastados imediatamente
  • Siga rigorosamente as orientações do fabricante

A manutenção adequada prolonga significativamente a vida útil do sistema e garante um desempenho consistente.


Perguntas frequentes

1. Qual é a finalidade principal de um Sistema Eletrolítico de Dessorção?

Seu principal objetivo é extrair e recuperar ouro do carvão ativado de forma eficiente.

2. Quão eficiente é o sistema?

A maioria dos sistemas atinge uma taxa de recuperação de ouro superior a 95%, dependendo das condições operacionais.

3. O sistema é ecologicamente correto?

Sim, os sistemas modernos são concebidos para minimizar as emissões e reduzir os resíduos químicos.

4. Pode ser personalizado?

Sim, empresas como a EPIC oferecem soluções personalizáveis ​​com base nos requisitos de processamento.

5. Quais indústrias utilizam este sistema?

Principalmente na indústria de mineração de ouro, mas também em aplicações de recuperação de metais preciosos.


Conclusão

OSistema Eletrolítico de Dessorçãorepresenta um avanço na tecnologia de recuperação de ouro, oferecendo eficiência, confiabilidade e desempenho ambiental incomparáveis. Com avanços contínuos de líderes do setor comoÉPICO, este sistema está se tornando cada vez mais essencial para as operações de mineração modernas. Se você deseja otimizar seu processo de extração de ouro e melhorar a lucratividade, investir em um sistema de alta qualidade é uma escolha inteligente.Contate-noshoje para saber mais sobre como podemos fornecer soluções personalizadas para suas necessidades.

Enviar consulta

X
Utilizamos cookies para lhe oferecer uma melhor experiência de navegação, analisar o tráfego do site e personalizar o conteúdo. Ao utilizar este site, você concorda com o uso de cookies. política de Privacidade