Como o equipamento de cianetação melhora a recuperação de ouro e a segurança do local?

2026-01-08 - Deixe-me uma mensagem

Se você já sentiu que a cianetação é “eficaz, mas estressante”, você não está imaginando. A química funciona, mas a realidade do dia a dia pode ser confusa: minério variável, gasto excessivo de reagentes, perdas de carbono, tempo de inatividade inesperado e pressão constante para operar com segurança e consistência. Este artigo detalha o queEquipamento de cianetaçãodeve realmente fazer por você, o que perguntar antes de comprar e como evitar os erros mais caros.


Resumo

ModernoEquipamento de cianetaçãonão é apenas um conjunto de tanques – é um sistema conectado projetado para controlar as condições de lixiviação, estabilizar a recuperação, reduzir o desperdício de reagentes e manter previsível o manuseio do cianeto. Os compradores normalmente enfrentam quatro problemas: recuperação inconsistente, alto custo operacional, controles de segurança fracos e dores de cabeça de manutenção. Abaixo, você terá uma visão prática do chão de fábrica dos módulos de cianetação (lixiviação, adsorção, dessorção/eletroextração, desintoxicação e instrumentação), uma matriz de seleção, dicas de comissionamento e uma seção de perguntas frequentes que você pode usar durante conversas com fornecedores.


Índice


Esboço resumido

  • Traduza “Preciso de cianetação” em um escopo de equipamento completo e controlável.
  • Identifique qual módulo está causando suas perdas (recuperação, reagente, carbono ou tempo de inatividade).
  • Use uma matriz simples para comparar soluções para seu tipo de minério e restrições.
  • Entre nas reuniões com fornecedores com uma lista de verificação que expõe rapidamente projetos fracos.

Os verdadeiros pontos problemáticos do comprador

Quando as pessoas compramEquipamento de cianetação, eles costumam dizer “Preciso de uma recuperação maior”. O que eles geralmente querem dizer é: “Preciso de uma recuperação que permaneça alta mesmo quando o minério muda, os operadores alternam e o local é remoto”. Aqui estão os pontos problemáticos que aparecem repetidamente:

  • Balanços de recuperaçãocausado pela variabilidade do minério, problemas de moagem, limitações de oxigênio ou controle deficiente do pH.
  • Aumento do custo do reagentede uma overdose de cianeto ou cal “só por segurança”.
  • Problemas de carbonocomo incrustações, perda por atrito ou cinética de adsorção deficiente.
  • Tempo de inatividadedevido a falhas de bombas/válvulas, desgaste de lama abrasiva ou layouts de difícil acesso.
  • Estresse de segurançaem torno do armazenamento de cianeto, dosagem e prontidão para resposta a emergências.

Um bom design de equipamento não elimina toda a complexidade, mas deve eliminar as suposições.


O que o “equipamento de cianetação” inclui

Cyaniding Equipment

No mínimo,Equipamento de cianetaçãodeve ser entendido como um sistema que suporta estas funções:

  • Lixiviação: fornece controle de tempo, mistura e química para dissolução.
  • Captura de ouro: adsorção em carvão ativado (CIP/CIL) ou rotas de precipitação.
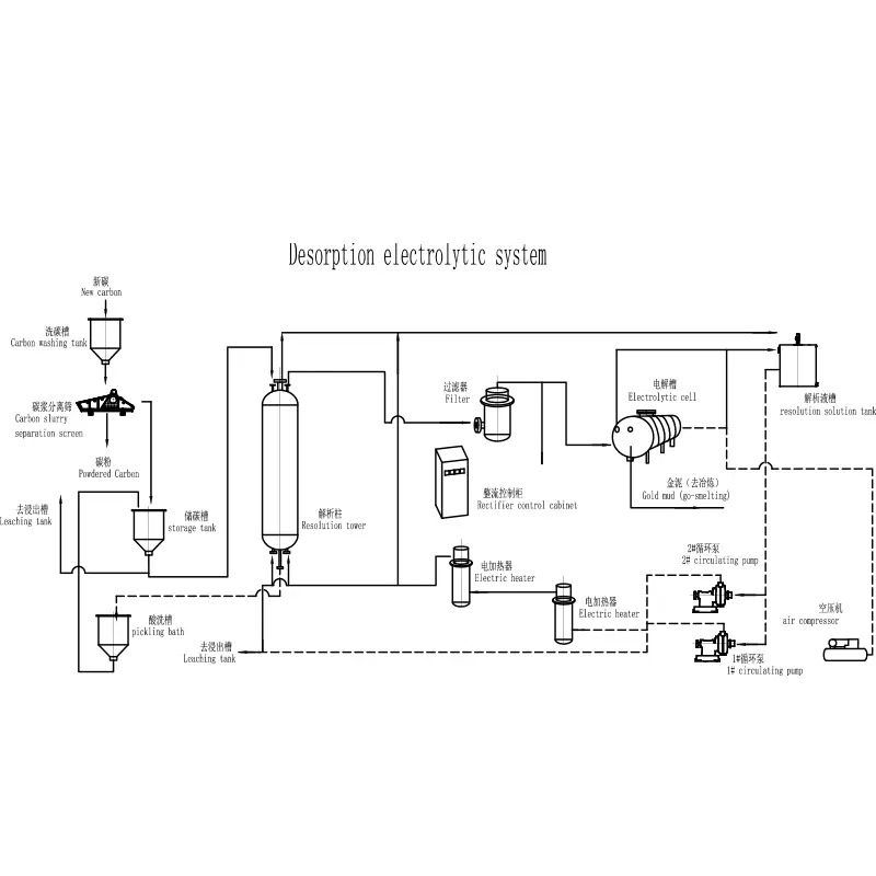
  • Recuperação de ouro: dessorção e eletroextração (ou circuitos de recuperação alternativos).
  • Manuseio de desintoxicação e rejeitos: reduzir o cianeto residual para níveis aceitáveis.
  • Instrumentação e controle: medir e estabilizar pH, oxigênio dissolvido, fluxo e dosagem.

Se um fornecedor fala apenas em “tanques”, pressione-o para definir todo o fluxo e os pontos de controle. A cianetação é indulgente em condições de laboratório; não perdoa em condições de campo caóticas.


Um mapa de processo claro do minério ao Doré

Embora cada planta seja diferente, a maioria das rotas de cianetação segue uma estrutura reconhecível. Use este mapa para verificar se um pacote proposto está completo:

Estágio O que deve alcançar Risco “oculto” típico
Pré-tratamento (conforme necessário) Tornar o ouro acessível e evitar picos de consumo de cianeto Ignorando pré-roubo, alto teor de cobre ou sulfetos reativos
Lixiviação Mistura estável, pH controlado e oxigênio suficiente Zonas mortas, má transferência de oxigênio, pH irregular devido ao sistema de cal fraco
Adsorção (CIL/CIP) Capture ouro dissolvido de forma eficiente Método de transferência/tamanho de carbono incorreto; perdas de carbono
Eluição / Dessorção Retirar o ouro do carbono de forma confiável Aquecimento/fluxo inconsistente leva a baixa eficiência de remoção
Eletroextração / Fundição Recuperar e produzir doré Células subdimensionadas, mau gerenciamento de eletrólitos, problemas de manuseio de lodo
Desintoxicação Reduzir o cianeto residual antes da descarga/rejeitos O projeto não corresponde à variabilidade da produção ou à química dos rejeitos

Módulos principais e o que verificar

1) Tanques de lixiviação e agitação

  • O projeto de mistura é adequado à densidade e abrasividade da sua pasta?
  • O sistema pode manter o pH estável sob variabilidade do minério?
  • A adição de oxigênio é prática em sua instalação (e a transferência de oxigênio é considerada no projeto)?
  • O layout permite fácil inspeção de impulsores, camisas e rolamentos?

2) Adsorção e transferência de carbono

  • As telas entre estágios são robustas o suficiente para evitar a transferência de carbono?
  • A transferência de carbono foi projetada para reduzir quebras e perdas?
  • O design é amigável para limpeza e controle de estoque de carbono?

3) Dessorção e eletroextração

  • O circuito de eluição corresponde às suas expectativas de carga de carbono?
  • Os controles de aquecimento e fluxo são estáveis ​​(não “dependentes do operador”)?
  • O manejo do lodo é planejado e não improvisado?

4) Dosagem e medição de cianeto

  • A dosagem é automatizada com intertravamentos ou puramente manual?
  • Qual é o plano para calibração e manutenção de sensores em um ambiente real de mina?
  • Os pontos de amostragem são seguros e bem posicionados ou são uma reflexão tardia?

5) Desintoxicação

  • O projeto de desintoxicação é baseado em suas metas de descarga e na química dos rejeitos?
  • Ele consegue lidar com picos de curto prazo sem forçar um desligamento?

Dica prática:Uma proposta que parece mais barata no papel muitas vezes aumenta os custos operacionais – cianeto extra, cal extra, trabalho de manutenção extra e comportamento mais “heróico” do operador. A conta chega mais tarde.


Noções básicas de dimensionamento e especificação

Você não precisa ser metalúrgico para fazer perguntas sobre dimensionamento que protejam seu orçamento. ParaEquipamento de cianetação, a lógica de dimensionamento principal gira em torno da taxa de transferência, do tempo de residência e da transferência de massa. Antes de aceitar qualquer projeto final, certifique-se de que estas informações sejam explicitamente declaradas:

  • Taxa de transferência do projeto(média e pico, mais variabilidade sazonal esperada).
  • Tamanho de moagem alvoe o que acontece se o moinho ficar mais grosso.
  • Tempo de residência da lixiviaçãoe se é baseado em testes ou suposições.
  • Plano de pH e alcalinidade(incluindo preparação de cal e estabilidade de dosagem).
  • Estratégia de oxigênio(ar, oxigênio ou nenhum) e o impacto esperado na cinética.
  • Inventário de carbono(quanto carbono, onde está e como é monitorado).

Se um fornecedor não puder explicar isso em linguagem simples, trate isso como um sinal de risco e não como um detalhe técnico.


Segurança e controle de cianeto que realmente se sustentam

Segurança não é um cartaz na parede. Com a cianetação, ela está integrada no projeto físico e no controle de rotina. ForteEquipamento de cianetaçãoos pacotes normalmente incluem:

  • Armazenamento e transferência contidoscom caminhos de derramamento claros e lógica de delimitação.
  • Dosagem interligadaportanto, o cianeto não pode ser adicionado quando as condições essenciais não são atendidas.
  • Design de amostragem claroque reduz o risco de exposição durante verificações de rotina.
  • Prontidão para emergênciascomo parte do conjunto de procedimentos operacionais e não como um documento complementar.

Do ponto de vista do comprador, seu trabalho é simples: forçar a proposta a mostrar exatamente como as pessoas interagem com o sistema. Onde eles estão? O que eles tocam? Como eles isolam o equipamento? Como eles respondem a uma falha na vedação da bomba às 2 da manhã?


De onde realmente vêm os custos operacionais

Se o seu custo por onça estiver aumentando, geralmente não é uma falha dramática – são pequenos vazamentos no sistema que se agravam. Na cianetação, os fatores de custos mais comuns são:

  • Consumo de cianetoimpulsionado por minerais reativos, hábitos de overdose ou circuitos de controle inadequados.
  • Consumo de limãoquando o controle do pH é instável ou a química da pasta não é bem compreendida.
  • Perda de carbonopor atrito, problemas de tela ou design de transferência inadequado.
  • Energia e manutençãodesde agitação excessiva, peças de desgaste mal projetadas e layouts de difícil manutenção.
Sintoma Provável causa raiz Recurso de equipamento que ajuda
A recuperação cai quando o minério muda Instabilidade de pH/OD; mistura pobre; tempo de residência insuficiente Agitação robusta, melhor instrumentação de controle, capacidade flexível do tanque
O gasto com cianeto continua aumentando Sobredosagem; minerais com alto consumo de cianeto; medição ruim Dosagem controlada, pontos de amostragem confiáveis, intertravamentos mais inteligentes
Inventário de carbono diminui “misteriosamente” Falhas na tela; perdas de transferência; atrito Telas entre estágios duráveis, design de transferência suave, contabilização clara de carbono
Desligamentos frequentes Peças de desgaste, vedação da bomba, problemas de acesso Materiais resistentes ao desgaste, acesso para manutenção, peças sobressalentes padronizadas

Projeto de confiabilidade e manutenção

Cyaniding Equipment

Um circuito de cianetação pode parecer “completo” e ainda não ser confiável se a manutenção não tiver sido planejada. Pergunte como o fornecedor aborda:

  • Seleção de materiaispara zonas de lama abrasiva e zonas de contato com cianeto.
  • Acessopara telas, impulsores, revestimentos, bombas e instrumentação.
  • Estratégia de peças de reposiçãoque corresponda à realidade do seu site (prazos de entrega, logística, estoque).
  • Padronizaçãopara reduzir o número de itens de desgaste exclusivos.

Em operações remotas, “fácil de manter” pode valer mais do que “um pouco mais eficiente no papel”.


Perguntas sobre fornecedores que você deve fazer

Use esta lista de verificação em reuniões. Ele foi projetado para trazer à tona propostas fracas rapidamente – sem transformar a conversa em um debate.

  • Quais riscos de minério são presumidos e quais são ativamente projetados?
  • Quais são as informações de projeto para tempo de residência, faixa de pH e estratégia de oxigênio?
  • Como é controlada a dosagem de cianeto e o que acontece durante uma falha do sensor?
  • Como a perda de carbono é evitada e medida nas operações de rotina?
  • Qual é o plano de acesso para manutenção de telas, agitadores e bombas?
  • Quais são as verificações recomendadas do operador por turno e como elas são feitas de forma segura?
  • Qual suporte de comissionamento está incluído e qual treinamento do operador é fornecido?

Se você estiver avaliando fornecedores, pode ser útil conversar com um fabricante que possa fornecer um pacote completo de cianetação e dar suporte aos detalhes de integração. Por exemplo, Qingdao EPIC Mining Machinery Co., Ltd.fornece soluções de equipamentos de processamento de mineração onde os pacotes de cianetação são considerados sistemas – lixiviação, adsorção, recuperação e controle – em vez de um conjunto desconectado de tanques.


Perguntas frequentes

O que torna o equipamento de cianetação “moderno” em vez de básico?

Os projetos modernos concentram-se na controlabilidade e repetibilidade: dosagem estável, medição confiável, amostragem mais segura, proteção robusta contra desgaste e layouts que reduzem a improvisação do operador. O objetivo é uma recuperação consistente com menos desperdício de reagentes e menos paralisações.

O equipamento de cianetação pode lidar economicamente com minério de baixo teor?

Pode, mas somente quando o circuito for projetado em torno de sua cinética e perfil de consumo. As operações de baixa qualidade tendem a ser sensíveis ao gasto excessivo de reagentes e ao tempo de inatividade, portanto, os sistemas de controle, o projeto de desgaste e o gerenciamento de carbono tornam-se especialmente importantes.

Como posso saber se preciso de CIP ou CIL?

A escolha geralmente depende da cinética de lixiviação e da rapidez com que o ouro dissolvido deve ser capturado. Se o ouro se dissolver rapidamente e você desejar a captura imediata, o CIL pode ser atraente. Se a lixiviação se beneficiar da separação antes da adsorção, o CIP pode ser mais adequado. Testes metalúrgicos e restrições práticas do local devem orientar a decisão.

Por que o consumo de cianeto às vezes aumenta repentinamente?

As causas comuns incluem alterações nos minerais do minério, controle deficiente do pH, limitação inesperada de oxigênio ou contaminação na água do processo. Um bom plano de controle e pontos de amostragem confiáveis ​​tornam esses picos mais fáceis de diagnosticar e corrigir rapidamente.

O que devo priorizar se meu site for remoto e tiver poucos funcionários?

Priorize a facilidade de manutenção e a automação que reduzam o manuseio manual: telas duráveis, layout de equipamento acessível, peças sobressalentes padronizadas, dosagem interligada e rotinas operacionais claras que não dependem de “um operador especializado”.


Conclusão

ComprandoEquipamento de cianetaçãoé, em última análise, reduzir a incerteza. A química pode ser comprovada, mas sua lucratividade depende de controle consistente, manutenção prática e segurança que funcione em turnos reais com pessoas reais. Se você estiver planejando uma nova planta ou atualizando um circuito existente, traga para a mesa a realidade do seu minério, as metas de produção e as restrições do local – e insista em uma proposta que trate a cianetação como um sistema completo e controlável.

Pronto para transformar seu plano de cianetação em uma operação confiável e com custos estáveis?Compartilhe seu tipo de minério, capacidade alvo e condições do local, eContate-nospara discutir uma configuração prática de equipamento que se adapte à sua planta e aos seus operadores.

Enviar consulta

X
Utilizamos cookies para lhe oferecer uma melhor experiência de navegação, analisar o tráfego do site e personalizar o conteúdo. Ao utilizar este site, você concorda com o uso de cookies. política de Privacidade